Kombi Kazán Nem Ad Melegvizet





Gazkazan Vezerlo Hibak Hobbielektronika Hu Online Elektronikai Magazin Es Forum

Gazkazan Vezerlo Hibak Hobbielektronika Hu Online Elektronikai Magazin Es Forum

Kombikazan Mukodesi Hiba Hobbielektronika Hu Online Elektronikai Magazin Es Forum

Kombikazan Mukodesi Hiba Hobbielektronika Hu Online Elektronikai Magazin Es Forum

Kombikazan Mukodesi Hiba Hobbielektronika Hu Online Elektronikai Magazin Es Forum

Kombikazan Mukodesi Hiba Hobbielektronika Hu Online Elektronikai Magazin Es Forum

Kazan Bojler Vizmelegito Hiba Okai Es Megoldasa Hazilag

Kazan Bojler Vizmelegito Hiba Okai Es Megoldasa Hazilag

Ahol Egyszerre Jon Letre A Melegviz Es A Hoenergia Bemutatjuk A Hokozpontot

Ahol Egyszerre Jon Letre A Melegviz Es A Hoenergia Bemutatjuk A Hokozpontot

Gazkazan Mukodesi Hibak Es Megoldasok

Gazkazan Mukodesi Hibak Es Megoldasok

Gazkazan Mukodesi Hibak Es Megoldasok

Gazkazan Mukodesi Hibak Es Megoldasok

Gazkazan Mukodesi Hibak Es Megoldasok

Kombikazan Mukodesi Hiba Hobbielektronika Hu Online Elektronikai Magazin Es Forum

Kombikazan Mukodesi Hiba Hobbielektronika Hu Online Elektronikai Magazin Es Forum

Kombi Kazan A Remehatol Kazan Hu

Kombi Kazan A Remehatol Kazan Hu

Kazan Bojler Vizmelegito Hiba Okai Es Megoldasa Hazilag

Kazan Bojler Vizmelegito Hiba Okai Es Megoldasa Hazilag

A Zart Egesteru Kazan Kazankisokos

A Zart Egesteru Kazan Kazankisokos

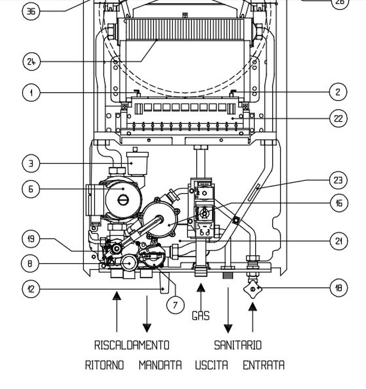
Demrad A124 A224 B124 B224 C124 C224 D124 D224 Gazkazan Javitasa

Demrad A124 A224 B124 B224 C124 C224 D124 D224 Gazkazan Javitasa

Mindent A Futestechnikarol Kazan Tudastar

Mindent A Futestechnikarol Kazan Tudastar

Gazkazan Mukodesi Hibak Es Megoldasok

Gazkazan Mukodesi Hibak Es Megoldasok

Kondenzacios Kazan Index Forum

Kondenzacios Kazan Index Forum

Mindent A Futestechnikarol Kazan Tudastar

Mindent A Futestechnikarol Kazan Tudastar

Kombikazan Mukodesi Hiba Hobbielektronika Hu Online Elektronikai Magazin Es Forum

Kombikazan Mukodesi Hiba Hobbielektronika Hu Online Elektronikai Magazin Es Forum

Gazkazan Hibak Gazszerelo Mester

Gazkazan Hibak Gazszerelo Mester

Kondenzacios Kazan Index Forum

Kondenzacios Kazan Index Forum

Kombikazan Mukodesi Hiba Hobbielektronika Hu Online Elektronikai Magazin Es Forum

Kombikazan Mukodesi Hiba Hobbielektronika Hu Online Elektronikai Magazin Es Forum

Source : pinterest.com